মিথেন সেন্সরের জন্য 1653nm 40mW DFB লেজার ডায়োড CH4 সেন্সিং সাবক্যারিয়ারে চিপ সহ একটি প্ল্যানার নির্মাণ ব্যবহার করে। উচ্চ ক্ষমতার চিপটি একটি ইপোক্সি-মুক্ত এবং ফ্লাক্স-মুক্ত 14-পিন বাটারফ্লাই প্যাকেজে হারমেটিকভাবে সিল করা হয় এবং উচ্চ মানের লেজার কর্মক্ষমতা সুরক্ষিত করতে একটি থার্মিস্টার, থার্মোইলেকট্রিক কুলার এবং মনিটর ডায়োডের সাথে লাগানো হয়। আমাদের লেজার পণ্যগুলি হল Telcordia GR-468 যোগ্য, এবং RoHS নির্দেশাবলী মেনে।
মিথেন সেন্সরের জন্য 1653nm 40mW DFB লেজার ডায়োড CH4 সেন্সিং সাবক্যারিয়ারে চিপ সহ একটি প্ল্যানার নির্মাণ ব্যবহার করে। উচ্চ ক্ষমতার চিপটি একটি ইপোক্সি-মুক্ত এবং ফ্লাক্স-মুক্ত 14-পিন বাটারফ্লাই প্যাকেজে হারমেটিকভাবে সিল করা হয় এবং উচ্চ মানের লেজার কর্মক্ষমতা সুরক্ষিত করতে একটি থার্মিস্টার, থার্মোইলেকট্রিক কুলার এবং মনিটর ডায়োডের সাথে লাগানো হয়। আমাদের লেজার পণ্যগুলি হল Telcordia GR-468 যোগ্য, এবং RoHS নির্দেশাবলী মেনে।
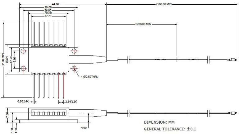
শিল্প-মান 14-পিন প্রজাপতি প্যাকেজ;
অন্তর্নির্মিত TEC এবং অপটিক্যাল আইসোলেটর;
উচ্চ-পারফরম্যান্স, মাল্টিকোয়ান্টাম ওয়েল (MQW) ডিস্ট্রিবিউটেড-ফিডব্যাক (DFB) লেজার।
গ্যাস সনাক্তকরণের জন্য প্যাসিভ উপাদানগুলির উত্পাদন পরীক্ষা;
ফাইবার গ্যাস সনাক্তকরণ সিস্টেম;
লেজারের উত্স।
| প্যারামিটার | প্রতীক | অবস্থা | মিন. | টাইপ | সর্বোচ্চ | ইউনিট |
| কেন্দ্র তরঙ্গদৈর্ঘ্য | λc | TL=15~35℃ CW | 1652.7 | 1653.7 | 1654.7 | nm |
| অপটিক্যাল আউটপুট শক্তি | পো | সিডব্লিউ | - | 40 | - | mW |
| এলডি থ্রেশহোল্ড কারেন্ট | আইটিএইচ | সিডব্লিউ | - | 15 | 40 | এমএ |
| এলডি ফরোয়ার্ড কারেন্ট | যদি | Pf = রেটেড পাওয়ার | - | 300 | 400 | এমএ |
| অপটিক্যাল বিচ্ছিন্নতা | - | -10 < TC < +70℃ | 30 | - | - | dB |
| সাইড-মোড দমন অনুপাত | এসএমএসআর | সিডব্লিউ | 35 | 40 | - | dB |
| দায়বদ্ধতা নিরীক্ষণ | আমি/পিএফ | - | - | 1 | 20 | uA/mW |
| দায়িত্বশীলতার স্থিতিশীলতা নিরীক্ষণ করুন | - | - | - | - | 20% | - |
| অন্ধকার বর্তমান নিরীক্ষণ | আইডি | ভিপিডি = 5 ভি | - | - | 50 | nA |
| TEC বর্তমান | আইটিইসি | Tcase =75℃ | - | - | 2 | A |
| TEC ভোল্টেজ | ভিটিইসি | Tcase =75℃ | - | - | 3.5 | V |
| TEC শক্তি খরচ | P | Tstg = 25℃ | - | - | 5 | W |
| থার্মিস্টর প্রতিরোধ | আরথ | Tcase =75℃ | 9.5 | 10 | 10.5 | কোহম |
| থার্মিস্টর বি ধ্রুবক | বিথ | Tstg = 25℃ | - | 3900 | - | K |
| তরঙ্গদৈর্ঘ্য প্রবাহ (EOL) | △λ | 25 বছরের জীবনকাল ধরে পরীক্ষা করা হয়েছে | - | - | ±0.1 | nm |
| তরঙ্গ। তাপমাত্রা সহগ | Δλ/ΔT | TEC তাপমাত্রা 15℃ থেকে 35℃ | - | 0.09 | - | nm/℃ |
| তরঙ্গদৈর্ঘ্য বর্তমান সহগ | Δλ/ΔΙ | - | - | 0.01 | - | nm/mA |

সমস্ত পণ্য শিপিং আউট আগে পরীক্ষা করা হয়েছে;
সমস্ত পণ্যের 1-3 বছরের ওয়ারেন্টি রয়েছে। (মানের গ্যারান্টি সময়কালের পরে উপযুক্ত রক্ষণাবেক্ষণ পরিষেবা ফি নেওয়া শুরু হয়।)
আমরা আপনার ব্যবসার প্রশংসা করি এবং তাৎক্ষণিক 7 দিনের রিটার্ন নীতি অফার করি। (আইটেম প্রাপ্তির 7 দিন পরে);
আমাদের দোকান থেকে আপনি যে আইটেমগুলি কিনছেন তা যদি নিখুঁত মানের না হয়, অর্থাৎ সেগুলি প্রস্তুতকারকের স্পেসিফিকেশনগুলিতে বৈদ্যুতিনভাবে কাজ করে না, কেবল প্রতিস্থাপন বা ফেরতের জন্য সেগুলি আমাদের কাছে ফেরত দিন;
আইটেম ত্রুটিপূর্ণ হলে, বিতরণের 3 দিনের মধ্যে আমাদের অবহিত করুন;
অর্থ ফেরত বা প্রতিস্থাপনের জন্য যোগ্যতা অর্জনের জন্য যেকোনো আইটেম অবশ্যই তাদের আসল অবস্থায় ফেরত দিতে হবে;
সমস্ত শিপিং খরচের জন্য ক্রেতা দায়ী।
প্রশ্নঃ তরঙ্গদৈর্ঘ্যের নির্ভুলতা কত?
A: +/-0.5nm।
প্রশ্ন: আপনার কাছে আউটপুট পাওয়ারের অন্যান্য সংস্করণ আছে?
A: 10mW, 15mW, 50mW.
NH3 সেন্সিংয়ের জন্য 1512nm 10mW DFB 14PIN বাটারফ্লাই লেজার
আর্দ্রতা H2O সেন্সিংয়ের জন্য 1392nm DFB বাটারফ্লাই লেজার ডায়োড
CH4 সনাক্তকরণের জন্য 1653nm DFB বাটারফ্লাই লেজার ডায়োড
CO সেন্সিংয়ের জন্য 1567nm DFB বাটারফ্লাই লেজার ডায়োড
হাইড্রোজেন সালফাইড সনাক্তকরণের জন্য 1578nm 10mW DFB লেজার ডায়োড
CO2 সনাক্তকরণের জন্য 1580nm DFB বাটারফ্লাই লেজার ডায়োডকপিরাইট @ 2020 Shenzhen Box Optronics Technology Co., Ltd. - China Fiber Optic Modules, Fiber Coupled Lasers Manufacturers, Laser Components Suppliers সর্বস্বত্ব সংরক্ষিত।