উচ্চ শক্তি 1653.7nm লেজার মডিউল সাবক্যারিয়ারে চিপ সহ একটি প্ল্যানার নির্মাণ ব্যবহার করে। উচ্চ পাওয়ার চিপ একটি ইপোক্সি-মুক্ত এবং ফ্লাক্স-মুক্ত 14-পিন বাটারফ্লাই প্যাকেজে হারমেটিকভাবে সিল করা হয় এবং একটি থার্মিস্টর, থার্মোইলেকট্রিক কুলার এবং মনিটর ডায়োড উচ্চ মানের লেজার কর্মক্ষমতা সুরক্ষিত করতে। মিথেন গ্যাস সনাক্তকরণের জন্য 1653nm 40mW BTF লেজার ডায়োড হল Telcordia GR-468 যোগ্য, এবং RoHS নির্দেশাবলী মেনে।
উচ্চ শক্তি 1653.7nm লেজার মডিউল সাবক্যারিয়ারে চিপ সহ একটি প্ল্যানার নির্মাণ ব্যবহার করে। উচ্চ ক্ষমতার চিপটি একটি ইপোক্সি-মুক্ত এবং ফ্লাক্স-মুক্ত 14-পিন বাটারফ্লাই প্যাকেজে হারমেটিকভাবে সিল করা হয় এবং উচ্চ মানের লেজার কর্মক্ষমতা সুরক্ষিত করতে একটি থার্মিস্টার, থার্মোইলেকট্রিক কুলার এবং মনিটর ডায়োডের সাথে লাগানো হয়। আমাদের লেজার পণ্যগুলি হল Telcordia GR-468 যোগ্য, এবং RoHS নির্দেশাবলী মেনে।
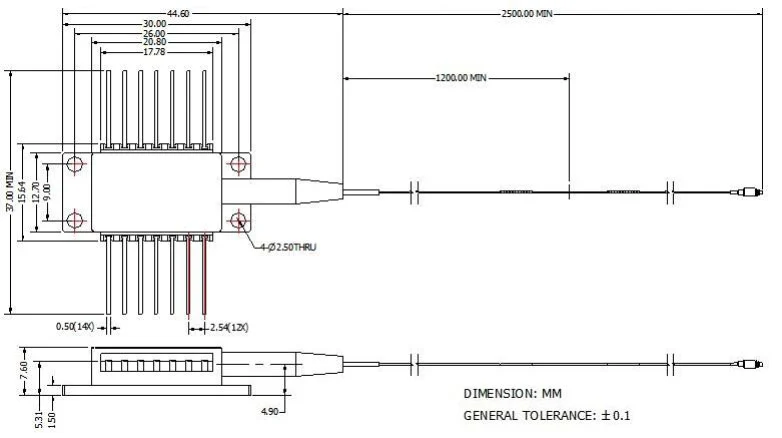
● শিল্প-মান 14-পিন প্রজাপতি প্যাকেজ;
● অন্তর্নির্মিত TEC এবং অপটিক্যাল আইসোলেটর;
● উচ্চ-কর্মক্ষমতা, মাল্টিকোয়েন্টাম ওয়েল (MQW) ডিস্ট্রিবিউটেড-ফিডব্যাক (DFB) লেজার।
● গ্যাস সনাক্তকরণের জন্য প্যাসিভ উপাদানগুলির উত্পাদন পরীক্ষা;
● ফাইবার গ্যাস সনাক্তকরণ সিস্টেম;
● লেজারের উৎস।
| প্যারামিটার | প্রতীক | অবস্থা | মিন. | টাইপ | সর্বোচ্চ | ইউনিট |
| কেন্দ্র তরঙ্গদৈর্ঘ্য | এলসি | Tl = 15 ~ 35 ℃ qu | 1652.7 | 1653.7 | 1654.7 | nm |
| অপটিক্যাল আউটপুট শক্তি | পরে | সিডব্লিউ | - | 40 | - | mW |
| এলডি থ্রেশহোল্ড কারেন্ট | আইটিএইচ | সিডব্লিউ | - | 15 | 40 | এমএ |
| এলডি ফরোয়ার্ড কারেন্ট | যদি | Pf = রেটেড পাওয়ার | - | 300 | 400 | এমএ |
| অপটিক্যাল বিচ্ছিন্নতা | - | -10 < TC < +70℃ | 30 | - | - | dB |
| সাইড-মোড দমন অনুপাত | এসএমএসআর | সিডব্লিউ | 35 | 40 | - | dB |
| দায়বদ্ধতা নিরীক্ষণ | টিকাদান | - | - | 1 | 20 | ছিল / মেগাওয়াট |
| দায়িত্বশীলতার স্থিতিশীলতা নিরীক্ষণ করুন | - | - | - | - | 20% | - |
| অন্ধকার বর্তমান নিরীক্ষণ | আইডি | ভিপিডি = 5 ভি | - | - | 50 | nA |
| TEC বর্তমান | আইটিইসি | Tcase =75℃ | - | - | 2 | A |
| TEC ভোল্টেজ | ভিটিইসি | Tcase =75℃ | - | - | 3.5 | V |
| TEC শক্তি খরচ | P | Tstg = 25℃ | - | - | 5 | W |
| থার্মিস্টর প্রতিরোধ | Rth | Tcase =75℃ | 9.5 | 10 | 10.5 | কোহম |
| থার্মিস্টর বি ধ্রুবক | বিথ | Tstg = 25℃ | - | 3900 | - | K |
| তরঙ্গদৈর্ঘ্য প্রবাহ (EOL) | △λ | 25 বছরের জীবনকাল ধরে পরীক্ষা করা হয়েছে | - | - | ±0.1 | nm |
| তরঙ্গ। তাপমাত্রা সহগ | Dl/Dt | TEC তাপমাত্রা 15℃ থেকে 35℃ | - | 0.09 | - | nm/℃ |
| তরঙ্গদৈর্ঘ্য বর্তমান সহগ | Dl/DI | - | - | 0.01 | - | NM/in |

সমস্ত পণ্য শিপিং আউট আগে পরীক্ষা করা হয়েছে;
সমস্ত পণ্যের 1 বছরের ওয়ারেন্টি রয়েছে। (মানের গ্যারান্টি সময়কালের পরে উপযুক্ত রক্ষণাবেক্ষণ পরিষেবা ফি নেওয়া শুরু হয়।)
আমরা আপনার ব্যবসার প্রশংসা করি এবং তাৎক্ষণিক 7 দিনের রিটার্ন নীতি অফার করি। (আইটেম প্রাপ্তির 7 দিন পরে);
আমাদের দোকান থেকে আপনি যে আইটেমগুলি কিনছেন তা যদি নিখুঁত মানের না হয়, অর্থাৎ সেগুলি প্রস্তুতকারকের স্পেসিফিকেশনগুলিতে বৈদ্যুতিনভাবে কাজ করে না, কেবল প্রতিস্থাপন বা ফেরতের জন্য সেগুলি আমাদের কাছে ফেরত দিন;
আইটেম ত্রুটিপূর্ণ হলে, বিতরণের 3 দিনের মধ্যে আমাদের অবহিত করুন;
অর্থ ফেরত বা প্রতিস্থাপনের জন্য যোগ্যতা অর্জনের জন্য যেকোনো আইটেম অবশ্যই তাদের আসল অবস্থায় ফেরত দিতে হবে;
সমস্ত শিপিং খরচের জন্য ক্রেতা দায়ী।
প্রশ্নঃ তরঙ্গদৈর্ঘ্যের নির্ভুলতা কত?
A: +/-0.5nm।
প্রশ্ন: আপনার কাছে আউটপুট পাওয়ারের অন্যান্য সংস্করণ আছে?
A: 10mW, 15mW, 50mW.
সি-ব্যান্ড ন্যারো লাইনউইথ ইন্টিগ্রেটেড টিউনেবল লেজার অ্যাসেম্বলি আইটিএলএ
1550nm 40mW 200Khz সংকীর্ণ লাইন প্রস্থ DFB বাটারফ্লাই লেজার ডায়োড
1550nm 40mW 600Khz DFB বাটারফ্লাই প্যাকেজ সংকীর্ণ লাইন প্রস্থ লেজার ডায়োড
1550nm 50mW 100Khz সংকীর্ণ লাইন প্রস্থ DFB বাটারফ্লাই লেজার ডায়োড
1550nm 2mW 5mW সংকীর্ণ রেখা প্রস্থ কোক্সিয়াল লেজার ডায়োড
1550nm 100MW 100KHz সরু লাইনউইথ ডিএফবি লেজার ডায়োড বিটিএফ এসএম/পিএম ফাইবার সহকপিরাইট @ 2020 শেনজেন বক্স অপট্রনিক্স টেকনোলজি কোং, লিমিটেড - চীন ফাইবার অপটিক মডিউল, ফাইবার কাপল লেজার প্রস্তুতকারক, লেজার উপাদান সরবরাহকারী সমস্ত অধিকার সংরক্ষিত।